Vymena radia za 1DIN
Vymena radia za 1DIN
Tak jo kluci.Uz mam po krk problemu s instalaci dvd90 a rozhodl jsem se,ze tam nacpu 1DIN radio s vysouvacim displayem.Ma nekdo s timto zkusenosti,nebo vi nekdo,ktery radio tam jde,aniz bych prisel o informace z palubniho pocitace?Ted tam mam zakladni 2 radkovy dispaly.Staci mi,kdyz na nem budou fungovat hodiny a teplota.Diky za info.Petr
- Reklama
Re: Vymena radia za 1DIN
Jo tak ja se k Treatymu s dotazem pridavam. Tak nejak uvazuju o dodelani BT handsfree a pak jeste budu chtit navigaci a tak nejak pokukuju po takovejch tech chytrejch vecickach co dela Pioneer. Je to uz docela palka, ale umej toho fakt hodne. Maji velkej barevnej displej, umej audio/video, z DVD, ext. USB HDD nebo SD karty, pripojeni iPodu pres USB, navigaci, bluetooth handsfree, dokonce pripojit couvaci kameru atd. Delaji se v 1 i 2 DIN, ale efekt je stejnej, clovek prijde o tlacitka BC a settings a je otazka jestli diky tomu neprijde taky o palubni pocitac. Vim ze tady nekdo psal o nejakym Pioneer adapteru kterej umi zachovat funkcnost ovladacu na volantu, tak mozna zustane palubni pocitac ovladatelny pouze pres volant (?)...
Re: Vymena radia za 1DIN
Tak nam Treaty odpovim sam...
Postup vymeny za 1DIN radio je popsany zde:
http://www.astraownersclub.com/document ... dunitH.pdf
Funkce palubniho pocitace zustanou dale pristupne pres ovladani z volantu, ale kvuli absenci tlacitka settings uz nebude dale mozny nastavit hodiny. Ovladani radia pres volant je mozny pokud je pro to radio dostupny adapter. Nektere adaptery umi dokonce nastavovat i ty hodiny a zobrazovat info z radia na palubnim displayi vice info tady: http://www.astraownersclub.com/vb/showthread.php?t=1131
Tady sem nasel adapter ktery (podle vseho) upravi chovani praveho dolniho tlacitka na leve strane volantu tak, ze kdyz se podrzi 2 sec, chova se jako SETTINGS a datum/cas jde nastavit i s neoriginalnim radiem: http://www.connects2.com/Instructions/SVX002.PDF
Da se to koupit tu: http://www.caraudiodirect.co.uk/ctsvx00 ... -6249.html
Postup vymeny za 1DIN radio je popsany zde:
http://www.astraownersclub.com/document ... dunitH.pdf
Funkce palubniho pocitace zustanou dale pristupne pres ovladani z volantu, ale kvuli absenci tlacitka settings uz nebude dale mozny nastavit hodiny. Ovladani radia pres volant je mozny pokud je pro to radio dostupny adapter. Nektere adaptery umi dokonce nastavovat i ty hodiny a zobrazovat info z radia na palubnim displayi vice info tady: http://www.astraownersclub.com/vb/showthread.php?t=1131
Tady sem nasel adapter ktery (podle vseho) upravi chovani praveho dolniho tlacitka na leve strane volantu tak, ze kdyz se podrzi 2 sec, chova se jako SETTINGS a datum/cas jde nastavit i s neoriginalnim radiem: http://www.connects2.com/Instructions/SVX002.PDF
Da se to koupit tu: http://www.caraudiodirect.co.uk/ctsvx00 ... -6249.html
Re: Vymena radia za 1DIN
Ja nasel zajimavejsi vec. http://www.dvdplayer.com.cn/img.asp?id= ... =HL-8885GB Stoji komplet kolem 600 dolaru.
Re: Vymena radia za 1DIN
Tak to je zajimavy, jen se trosku bojim toho ze to je tamansky, google to vubec nezna, zaruky asi nulovy...
Ja pokukuju po tomdle Kenwood zarizeni: http://www.caraudiodirect.co.uk/kenwood ... -6609.html
S adapterama a instalacnima rameckama se cena dostane sice na dvojnasobek, ale zase tam mas krome hudby/videa/bluetooth HF jeste vestavenou Garmin navigaci...
Ja pokukuju po tomdle Kenwood zarizeni: http://www.caraudiodirect.co.uk/kenwood ... -6609.html
S adapterama a instalacnima rameckama se cena dostane sice na dvojnasobek, ale zase tam mas krome hudby/videa/bluetooth HF jeste vestavenou Garmin navigaci...
Re: Vymena radia za 1DIN
TAk to já pokukuju po TOMTO
Opel Astra H SEDAN - Enjoy 1.6XER 85 kW, Silver lighthing, Tempomat atd ....
Jako malej, to sem býval dost namyšlenej. Ale teď, teď už nemám žádnou chybu....
sori sa chibi a hrupki ...
Jako malej, to sem býval dost namyšlenej. Ale teď, teď už nemám žádnou chybu....
sori sa chibi a hrupki ...
Re: Vymena radia za 1DIN
Prodava se aji tady http://www.eonon.info/?p=productsMore&i ... -BLUETOOTH a docela zajimavy
Re: Vymena radia za 1DIN
Treaty, tak jsem jim poslal par dotazu, tak uvidime. Nemuzu poprit ze to vypada prinejmensim dost zajimave... 
Navic na tom je napsana znacka Opel a nejaky cislo, tak by to mohlo vypadat jako origo i pro pripadneho zlodejicka.
Navic na tom je napsana znacka Opel a nejaky cislo, tak by to mohlo vypadat jako origo i pro pripadneho zlodejicka.
Dobry den, vazne uvazuji o tomto radiu a mam par dotazu, muzu poprosit o jejich zodpovezeni?
1) Jde dane radio nainstalovat do verze Opel Astra H (r.v. 2007)?
2) Jak je to s ovladanim z volantu, jsou potreba nejake dalsi adaptery?
3) Kdyz se z Opelu demontuje orig. radio (obsahuje tlacitka BC a SETTINGS), neni pak jiz mozne nastavit nektere polozky na palubnim displayi, napriklad datum a cas. Jak je toto vyreseno?
4) Orig. radio je v mem Opelu umisteno relativne nizko, ma radio tzv. funkci TILT, kdy lze display pootocit nahoru v nekolika stupnich? Pokud ne, je display dobre citelny i z ruznych uhlu?
5) Je nekde dostupny seznam ktera zarizeni jsou podporovana pres funkci bluetooth? Konkretne vlastnim HTC S710 VOX.
6) Kdybych jel pres Brno, je moznost se na radio zajit podivat osobne, pripadne vyzkouset bluetooth spojeni s mobilem?
7) Trosku se mi nezda hodnota rozliseji 1440x234, na 16:9 je to dost nepomer, neni tam chyba?
8) Ma radio externi mikrofon pro bluetooth, pokud ne, jde aspon pripojit? Nemam moc dobrou zkusenost s bluetooth radii bez externiho mikrofonu.
9) Vestaveny TV tuner - bude pracovat s TV stanicemi u nas?
10) Mapové podklady IGO8 - jake maji pokryti CR, pouze velka mesta nebo i mensi obce?
11) Je nekde dostupny, pripadne muzete mi zaslat nejaky manual s popisem instalace? Klidne v NJ/AJ, chci jen mit jistotu zda by vsechno co potrebuju fungovalo jak ma.
Diky moc za informace...
Michal P.
Re: Vymena radia za 1DIN
Tak jsem z Ciny vysomroval manual, na obrazcich je jinej ramecek (do jinyho auta) ale jinak je to stejny radio
Mel by byt jeste par dni ke stazeni tady. Pokud uz tam nebude, napiste mi, nejak vam ho preposlu:
http://www.filemail.com/dl.aspx?id=MIYVIQTBISPFZDV
EDIT: a jeste nejaky dalsi fotky: http://www.audiosources.net/viewproduct.asp?id=938
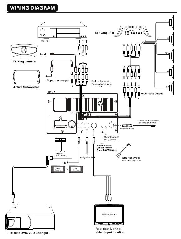
Prikladam jeste schema zapojeni...
Mel by byt jeste par dni ke stazeni tady. Pokud uz tam nebude, napiste mi, nejak vam ho preposlu:
http://www.filemail.com/dl.aspx?id=MIYVIQTBISPFZDV
EDIT: a jeste nejaky dalsi fotky: http://www.audiosources.net/viewproduct.asp?id=938
Prikladam jeste schema zapojeni...
Re: Vymena radia za 1DIN
Nasel jsem to radio i na ceskych strankach a pripada mi to stejny.Je tam i veskere info v cestine pochopitelne http://www.eonon.info/?p=productsMore&i ... -BLUETOOTH